10. Area available at outward nozzle weld (A41) is not calculated correctly, Why?


Applies To  
Product(s): AutoPIPE Vessel
Version(s): ALL
Area: General
Date Logged
& Current Version
Dec 2023
44.00.01.014

Problem:

Area available at outward nozzle weld (A41) is not calculated correctly, Why?

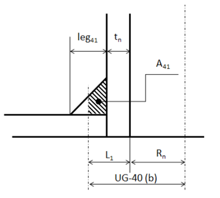
Reinforcement checking UG-37, Area available, A41 calculations. Value calculated does not match the calculation,

A41 = leg412 /2 fr2 

 

Solution:

There is no issue in calculations, the area A41 is correct. It is limited by the available length of reinforcement L1

A41 = (leg41²/2) - [(leg41+tn-L1)²/2]

 

See Also

AutoPIPE Vessel

Bentley LEARN Server